上海恒點傳動設備有限公司
加微信聯系 恒點減速機QQ2:51228482
[HTML] [XML]  産品展示産品展示-RSS  新聞中心新聞中心-RSS  技術支持技術支持-RSS
産品分類: 減速機蝸輪絲杆升降機轉向箱蝸輪蝸杆減速機齒輪減速機行星齒輪減速機擺線針輪減速機無級變速機大功率減速器
上海恒點傳動設備有限公司
資訊分類
和産品相關的技術文章
當前位置:網站首頁 > 技術支持 > QJ-T型起重機套裝式減速器外形尺寸及安裝尺寸(JB/T8905.4-1999)

QJ-T型起重機套裝式減速器外形尺寸及安裝尺寸(JB/T8905.4-1999)

Tags: HB标準工業齒輪箱    發布時間: 2015-10-30

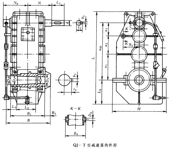
QJ-T型起重機套裝式減速器外形尺寸及安裝尺寸

QJ-T型減(jiǎn)速器的外形尺寸及安裝(zhuāng)尺寸          (mm)
型号
中心距
主動軸
被動軸
a1
a2
a3
a03
d
L1
N
b1
t1
D
D1
D2
D3
L2
L3
b2
t2
QJ-T140
140
100
71
311
20
50
120
6
22.5
40
50
55
70
105
50
14
26.2
QJ-T170
170
118
85
373
25
50
135
8
28
50
60
65
80
105
55
16
31.7
QJ-T200
200
140
100
440
28
60
180
8
31
55
65
70
90
105
60
18
34.3
QJ-T236
236
170
118
524
35
80
210
10
38
70
85
90
120
155
70
22
44
QJ-T280
280
200
140
620
40
110
235
12
43
75
95
100
130
205
75
22
47.8
QJ-T335
335
236
170
741
45
110
255
14
48.5
90
110
120
160
205
85
28
56.3
QJ-T400
400
280
100
880
55
110
285
16
59
100
120
130
180
255
105
28
60.03
型号
外形尺寸
安裝尺寸
重量/kg
H
B
B1
L
L0
N0
B2
B3
B4
D4
QJ-T140
324
256
214
526
135
103
35
85
150
25
76
QJ-T170
376
281
239
618
160
115
35
105
170
25
108
QJ-T200
426
333
274
715
185
133
50
135
200
25
153
QJ-T236
510
387
328
854
220
158
50
155
245
28
247
QJ-T280
580
460
368
995
255
277
65
190
270
28
364
QJ-T335
689
524
436
1196
310
307
65
225
330
32
593
QJ-T400
807
624
526
1396
365
352
75
280
390
40
938
上一篇 上一篇: QJ-T型起重機套裝式減速器工作條件及型式、主要技術參數(JB/T8905.4-1999)
下一篇 下一篇: QJ-T型起重機套裝式減速器承載能力(JB/T8905.4-1999)
相關新聞文章 > 查看更多
錐齒輪承載能力計算方法第 2 部分:齒面接觸疲勞(點蝕)強度計算齒面工作硬化系數ZW(GB/T10062.2-2003) 2025-05-12
12L14和45#鋼性能的區别 2025-04-02
公差與偏差的區别在哪? 2024-12-30
什麽是模鑄軸承鋼和連鑄軸承鋼 2024-11-08
軸承損壞後是否可以修複 2024-11-06
PWM和PAM的不同點是什麽? 2024-09-24
圓柱齒輪 檢驗實施規範 第3部分:齒輪坯、軸中心距和軸線平行度齒輪坯的精度(GB/Z18620.3-2002) 2024-08-28
圓柱齒輪 、錐齒輪和準雙曲面齒輪膠合承載能力計算方法第2部分:積分溫度法影響因素(GB/Z6413.2-2003) 2024-06-06
齒根彎曲強度計算尺寸系數YX(GB/T10062.3-2003) 2024-04-25
諧波傳動減速器标志、包裝、運輸、貯存(GB/T14118-93) 2024-03-25
提高數控機床可靠性的方法2:採用技術成熟的模塊化部件 2024-01-23
減速機油封漏油的原因1-裝配原因 2021-04-08
返回頂部 關閉本頁】 【打印本頁
電 話:021-22815912  021-22816186  傳 真:021-32050712   郵箱:sales@021jsj.cn  減速機 絲杆升降機 轉向箱 蝸輪蝸杆減速機
Copyright©2009-2026上海恒點傳動設備有限公司 版權所有  地址:上海市金山區亭林鎮林寶路39号  郵編:200442  滬ICP備10206998号-2 
友情鏈接機械設備網 | 渦街流量計 | 輸送機 | 變頻控制櫃 | 破碎機 | 工業同城 | 手持終端 | 柴油發電機 | uv平闆打印機 | 風淋室 | QUV | 防火門 | 九愛圖紙 | 感應加熱設備 | 輸送帶廠家 | 噪聲治理 | 西門子plc | 拖鏈電纜 | AGV | 機械雜志 | 現代機械 | UWB高精度定位 |