上海恒點傳動設備有限公司
加微信聯系 恒點減速機QQ2:51228482
[HTML] [XML]  産品展示産品展示-RSS  新聞中心新聞中心-RSS  技術支持技術支持-RSS
産品分類: 減速機蝸輪絲杆升降機轉向箱蝸輪蝸杆減速機齒輪減速機行星齒輪減速機擺線針輪減速機無級變速機大功率減速器
上海恒點傳動設備有限公司
當前位置:網站首頁 > RV系列蝸輪蝸杆減速機 > NMRV025,NRV25,RV25型外形尺寸圖

NMRV025,NRV25,RV25型外形尺寸圖 - RV系列蝸輪蝸杆減速機

快速切換 選型參數及尺寸參數
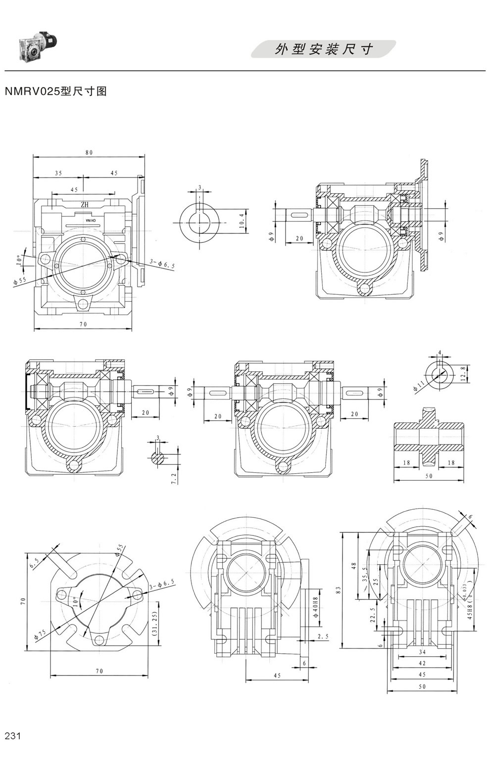
   NMRV025,NRV25,RV25型蝸輪蝸杆減速機外形尺寸圖,輸入有:法蘭,單軸,尾軸,輸出有:通孔,單軸,雙軸 ,法蘭
NMRV025,NRV25,RV25型外形尺寸圖

關閉本頁】 【打印本頁回到頂部
上一篇 上一篇:RV系列減速機出力軸的許可徑向加載力,減速機的電機配合接口 下一篇 下一篇:NMRV030,NRV30,RV30型外形尺寸圖

RV系列蝸輪蝸杆減速機 詳細選型參數及尺寸參數:

1 - RV系列減速機的産品形式 2 - RV系列減速機産品概述及結構圖,型号表示
3 - RV系列減速機的輸入輸出圖表及安裝形式 4 - RV系列減速機蝸輪參數表(模數m,蝸杆頭數Z1,齒數Z2,螺旋角度,輸出效率)
5 - RV系列減速機的性能參數(60W 90W 120W 180W 250W) 6 - RV系列減速機的性能參數(370W 550W 750W 1.1KW 1.5KW)
7 - RV系列減速機的性能參數(2.2 3KW 4KW 5.5 7.5 11 15KW) 8 - RV系列減速機出力軸的許可徑向加載力,減速機的電機配合接口
9 - NMRV025,NRV25,RV25型外形尺寸圖(tú) 10 - NMRV030,NRV30,RV30型外形尺寸圖
11 - NMRV040,NRV40,RV40型外形尺寸圖 12 - NMRV050,NRV50,RV50型外形尺寸圖
13 - NMRV063,NRV63,RV63型外形尺寸圖 14 - NMRV075,NRV75,RV75型外形尺寸圖
15 - NMRV090,NRV90,RV90型外形尺寸圖 16 - NMRV110,NRV110,RV110型外形尺寸圖
17 - NMRV130,NRV130,RV130型外形尺寸圖 18 - NMRV150,NRV150,RV150型外形尺寸圖
19 - 雙級RV系列蝸輪蝸杆減速機,帶電機安裝形式 20 - 雙級RV系列蝸輪蝸杆減速機性能參數030-075
21 - 雙級RV系列蝸輪蝸杆減速機性能參數050-150 22 - NMRV/NMRV雙級組合外形尺寸和安裝尺寸
23 - RV系列減速機蝸輪尾出軸E尺寸,蝸輪輸出軸(DZ,SZ)尺寸,扭力臂A尺寸

電 話:021-22815912  021-22816186  傳 真:021-32050712   郵箱:sales@021jsj.cn  減速機 絲杆升降機 轉向箱 蝸輪蝸杆減速機
Copyright©2009-2026上海恒點傳動設備有限公司 版權所有  地址:上海市金山區亭林鎮林寶路39号  郵編:200442  滬ICP備10206998号-2 
友情鏈接機械設備網 | 渦街流量計 | 輸送機 | 變頻控制櫃 | 破碎機 | 工業同城 | 手持終端 | 柴油發電機 | uv平闆打印機 | 風淋室 | QUV | 防火門 | 九愛圖紙 | 感應加熱設備 | 輸送帶廠家 | 噪聲治理 | 西門子plc | 拖鏈電纜 | AGV | 機械雜志 | 現代機械 | UWB高精度定位 |